AXIAL FANS
冷凝江南官方(中国)总部

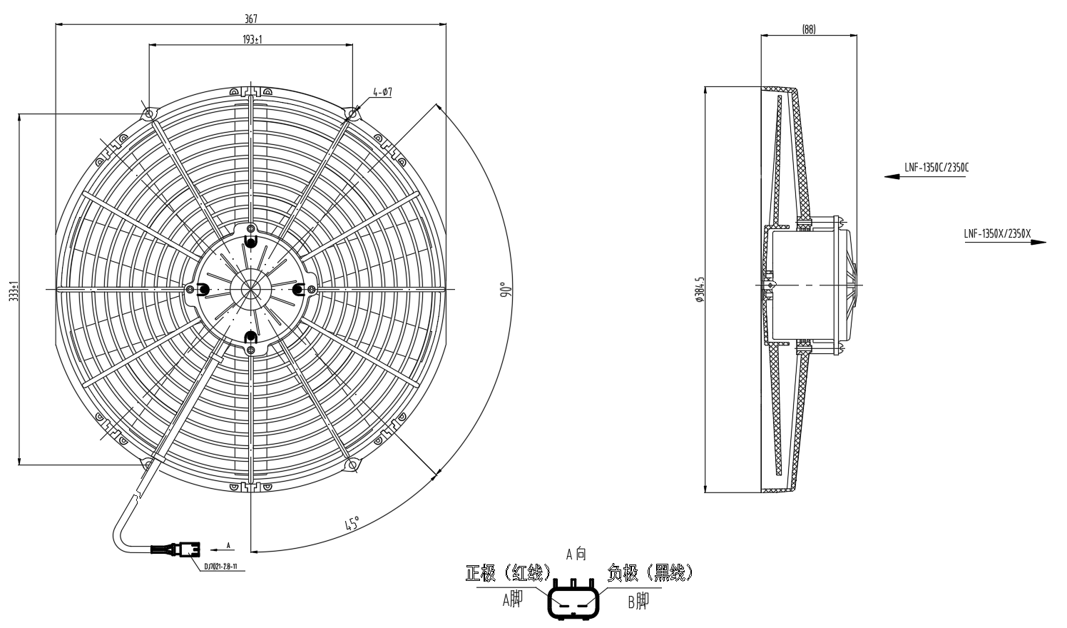
型号:LNF-2350C/X

  • 电压:12V/24V
  • 电流:≤16A/8.5A
  • 风量:≥2200m³/h
  • 适用车型:Construction Machinery
150-5088-5179
尺寸规格图

image.png

型号 电压 电流 风量 适用车型
LNF-2350C/X 12V/24V ≤16A/8.5A ≥2200m³/h Construction Machinery


返回列表

上一篇:LNF-23051CA/XA

下一篇:LNF-2385C/X

Copyright © 江南官方(中国)总部 All Rights Reserved.     苏ICP备2022016789号
技术支持:丹阳奇点科技